
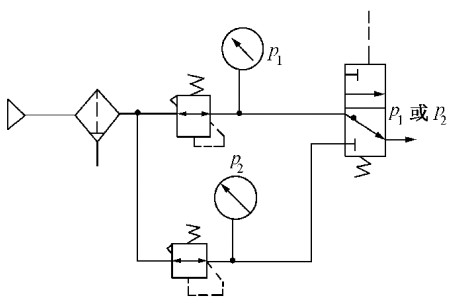
高低压转换回路下图所示是采用两个减压阀,分别调出 、 两个不同压力的回路。由换向阀控制输出气动设备所需要的压力。图中的换向阀为气控阀,根据系统的情况,也可选用其它控制方式的阀。

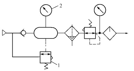
二次压力控制回路二次压力控制回路是指每台气动设备的气源进口处的压力调节回路。如图所示,主要采用溢流式减压阀来调整压力。通常把分水滤气器、减压阀和油雾器称为气动三大件(可做成联件形式)。如气动系统中不需要润滑,则可不用油雾器。其中:1—分水滤气器 2—调压阀 3—油雾器 4—压力表

一次压力控制回路用于控制空压站气罐,使其压力不超过规定压力;如图所示。通常采用外控式溢流阀来控制,也可用带电触点的压力表来代替溢流阀来控制空压机电机的启、停。此回路结构简单,工作可靠。其中: 1—溢流阀 2—压力表
