Installation and application 1. JT series ferrule type pipe joints are suitable for the connection of non-ferrous metal pipes and braided nylon pipes. The maximum working pressure is 1.0MPa. 2. After the trachea is cut off, the nozzle is trimmed and deburred. Insert the trachea into the connector (be sure to insert it all the way) and then tighten the cap. When the tube can no longer be rotated, continue to tighten 1/3 turn to connect and seal firmly. Third, the
安装及应用
一、JT系列卡套式管接头适用于有色金属管,编织尼龙管的连接。*大工作压力为1.0MPa。
二、气管切断后,管口修平去毛刺。将气管插入接头内(一定要插到底)然后旋紧管帽。当管子已不能转动时,再继续旋紧1/3圈,即可牢固连接和密封。
三、该系列产品适用于两种连接管,如果用硬质尼龙管的购货时指明。
*标记示例:①:卡套式三通终端管接头 公称通径Ø6MM JT-3T-Z6 M10×1
②:卡套式三通终端变径管接头 公称通径Ø6MM B=8MM C=4MM JT-3T-Z6-8-4 M10×1
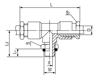
外形尺寸


Instudry Application

Company Profile

Established in 1956, Wuxi Huatong Pneumatic Manufacture Co., Ltd. is a strong and reliable partner for various industries. With our innovative R&D team, professional technical support team, and motivated sales team, we have been producing and delivering a large number of different valves, cylinders, air-filter components, and accessories to Germany, USA, Iran, Singapore, Russia Federation over 60 years. Huge investments in advanced technology of production and testing equipment, software and organization structure support us to offer top quality and good service. We are committed to be a leading provider and supporter to all our customers.
Huatong Pneumatic produces high-quality pneumatic and hydraulic cylinders as well as pneumatic valves, complete pneumatic systems, pneumatic / electrical stainless steel cabinets in all sizes and various custom-made accessories and spare parts according to our customer needs. We have satisfied customers for our custom-made pneumatics in China, USA, Germany, Italy, Holland, Australia and various other countries.

Certifications

FAQ
Q1: Are you a manufacturer or trading company?
A: We are an integrated industrial and trade enterprises. We have our own factory and marketing department.
Q2: How do you ensure your product and service quality?
A: Our processes strictly adhere to ISO 9001 procedures. Every product will be strictly tested before packing and shipping.
Q3: How can you customize cylinders?
A: Our engineer will design with your drawing or requirements, and send our drawing for you to check. Then, we will arrange production.
Q4: How can I make payment?
A: We accept T/T, L/C, Western Union.
Q5: What's your minimum order quantity?
A: All MOQS vary, depending on the products. Please feel free to check with us for specific items.
Q6: What about your delivery time?
A: It depends, but usually takes about 1-6 weeks.
Q7. What about shipping?
A: We suggest small batch by air/express and bulk by sea.
Q8. Do you have OEM/ODM service?
A:Yes. We OEM and ODM for some famous brand.
Q9. What's your policy if we want to distribute your products in local market?
A: Thanks for your interest and support. We would like to offer some Preferential policies, like discount in price, prepare stock and so on. Welcome to our factory and have a face-to-face talk.
Q10: What about your after-sales service?
A: We have a professional after-sales service team. Your feedback will be quickly responded and solved.

