Installation and application 1. JSM series lock nut type pipe joint, suitable for connecting nylon pipe and plastic pipe, the maximum working pressure is 1.0MPa. This series of pipe joints has the advantages of convenient use and firm installation. 2. First remove the lock nut and put it on the connecting pipe, insert the connecting pipe into the joint, and then tighten the joint with the lock nut. • Examples of tags: ①:
安装及应用
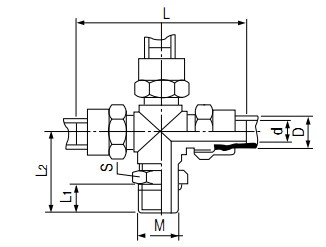
一、JSM系列锁母式管接头,适用于连接尼龙管、塑料管,*大工作压力为1.0MPa。该系列管接头具有使用方便,安装牢固等优点。
二、先将锁母卸下套入连接管上,把连接管插入接头上,再将锁母旋紧接头即可。
• 标记示例: ①:锁母式三通终端管接头 公称通径 Ø6MM JSM-3T-Z6 M10×1
②:锁母式三通终端变径管接头 公称通径 Ø6MM B=ØMM C=Ø4MM JSH-3T-Z6-8-4 M10×1
外形尺寸


Instudry Application

Company Profile

Established in 1956, Wuxi Huatong Pneumatic Manufacture Co., Ltd. is a strong and reliable partner for various industries. With our innovative R&D team, professional technical support team, and motivated sales team, we have been producing and delivering a large number of different valves, cylinders, air-filter components, and accessories to Germany, USA, Iran, Singapore, Russia Federation over 60 years. Huge investments in advanced technology of production and testing equipment, software and organization structure support us to offer top quality and good service. We are committed to be a leading provider and supporter to all our customers.
Huatong Pneumatic produces high-quality pneumatic and hydraulic cylinders as well as pneumatic valves, complete pneumatic systems, pneumatic / electrical stainless steel cabinets in all sizes and various custom-made accessories and spare parts according to our customer needs. We have satisfied customers for our custom-made pneumatics in China, USA, Germany, Italy, Holland, Australia and various other countries.

Certifications

FAQ
Q1: Are you a manufacturer or trading company?
A: We are an integrated industrial and trade enterprises. We have our own factory and marketing department.
Q2: How do you ensure your product and service quality?
A: Our processes strictly adhere to ISO 9001 procedures. Every product will be strictly tested before packing and shipping.
Q3: How can you customize cylinders?
A: Our engineer will design with your drawing or requirements, and send our drawing for you to check. Then, we will arrange production.
Q4: How can I make payment?
A: We accept T/T, L/C, Western Union.
Q5: What's your minimum order quantity?
A: All MOQS vary, depending on the products. Please feel free to check with us for specific items.
Q6: What about your delivery time?
A: It depends, but usually takes about 1-6 weeks.
Q7. What about shipping?
A: We suggest small batch by air/express and bulk by sea.
Q8. Do you have OEM/ODM service?
A:Yes. We OEM and ODM for some famous brand.
Q9. What's your policy if we want to distribute your products in local market?
A: Thanks for your interest and support. We would like to offer some Preferential policies, like discount in price, prepare stock and so on. Welcome to our factory and have a face-to-face talk.
Q10: What about your after-sales service?
A: We have a professional after-sales service team. Your feedback will be quickly responded and solved.

