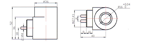
Standard voltage DC 24V working system 100% (continuous work) conventional power 10W allowable working environment temperature -20 ~ +40 ℃ protection class IP65 absolute

| 标准电压 | DC 24V |
| 工作制 | 100%(连续工作) |
| 常规功率 | 10W |
| 允许工作环境温度 | -20 ~ +40℃ |
| 防护等级 | IP65 |
| 绝缘等级 | F级 |
| 电气连接方式 | 车用电线束插接器 |
Instudry Application

Company Profile

Established in 1956, Wuxi Huatong Pneumatic Manufacture Co., Ltd. is a strong and reliable partner for various industries. With our innovative R&D team, professional technical support team, and motivated sales team, we have been producing and delivering a large number of different valves, cylinders, air-filter components, and accessories to Germany, USA, Iran, Singapore, Russia Federation over 60 years. Huge investments in advanced technology of production and testing equipment, software and organization structure support us to offer top quality and good service. We are committed to be a leading provider and supporter to all our customers.
Huatong Pneumatic produces high-quality pneumatic and hydraulic cylinders as well as pneumatic valves, complete pneumatic systems, pneumatic / electrical stainless steel cabinets in all sizes and various custom-made accessories and spare parts according to our customer needs. We have satisfied customers for our custom-made pneumatics in China, USA, Germany, Italy, Holland, Australia and various other countries.

Certifications

FAQ
Q1: Are you a manufacturer or trading company?
A: We are an integrated industrial and trade enterprises. We have our own factory and marketing department.
Q2: How do you ensure your product and service quality?
A: Our processes strictly adhere to ISO 9001 procedures. Every product will be strictly tested before packing and shipping.
Q3: How can you customize cylinders?
A: Our engineer will design with your drawing or requirements, and send our drawing for you to check. Then, we will arrange production.
Q4: How can I make payment?
A: We accept T/T, L/C, Western Union.
Q5: What's your minimum order quantity?
A: All MOQS vary, depending on the products. Please feel free to check with us for specific items.
Q6: What about your delivery time?
A: It depends, but usually takes about 1-6 weeks.
Q7. What about shipping?
A: We suggest small batch by air/express and bulk by sea.
Q8. Do you have OEM/ODM service?
A:Yes. We OEM and ODM for some famous brand.
Q9. What's your policy if we want to distribute your products in local market?
A: Thanks for your interest and support. We would like to offer some Preferential policies, like discount in price, prepare stock and so on. Welcome to our factory and have a face-to-face talk.
Q10: What about your after-sales service?
A: We have a professional after-sales service team. Your feedback will be quickly responded and solved.

