published:2013-11-30 13:44:21 visits:628 source:Wuxi Huatong Pneumatic
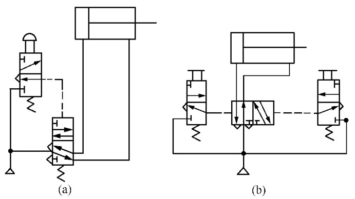
二位五通阀控制双作用气缸换向回路
下图a:当手动阀换向时,由手动阀控制的控制气流推动二位五通气控换向阀换向,气缸活塞杆外伸。松开手动换向阀,则活塞杆返回。
下图b:主阀由两个小流量二位三通手动阀控制;请读者自己分析其动作过程。
上述二位三通以及二位五通的三个换向回路,不适用于活塞在行程途中有停止运动的场合。为适应活塞中途停止要求,可采用三位五通阀控制的换向回路。

