published:2013-11-30 13:50:51 visits:848 source:Wuxi Huatong Pneumatic
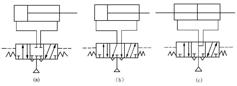
三位五通阀控制双作用气缸换向回路
图a为采用中位封闭式三位五通阀(O型)的换向回路,它适用于活塞在行程中途停止的情况。但因气体的可压缩性,活塞停止的位置精度较差,且回路及阀内不允许有泄漏。
图b为采用中位泄压式三位五通阀(Y型)的换向回路。此回路在活塞停止时,可用外力自由推动活塞移动(如可加手动装置)。其缺点为活塞惯性对停止位置的影响较大,不易控制。一般不能用于升降系统。
图c为采用中位加压式三位五通阀(P型)控制双活塞杆气缸的换向回路。此回路适用于活塞面积小而要求活塞在行程中途很快停止的情况。其缺点为如果气缸是单活塞杆,则由于“差压”的作用,当系统一通气源,而没有控制信号时,气缸会缓慢伸出。同样,一般不能用于升降系统。

