
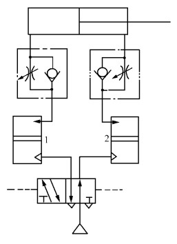
气液阻尼缸变速回路图1 为采用行程阀的气液阻尼缸变速回路。活塞杆向右快速运动时,当撞块压下机动行程阀后,液压缸右腔的油只能从节流阀通过,实现慢速运动。行程阀的位置可根据需要进行调整。高位油箱起补充泄漏油液的作用。图1 气液阻尼缸变速回路图2 气液阻尼缸变速回路在机械加工中,常遇到快进刀、慢进给、快退刀的工作要求。利用气动执行元件可以实现这一要求,采用带有结构变速的气液阻尼缸,如图2-a所示,但这种方法变速位置不能改变,不予推荐。图2 气液阻尼缸变速回路图2-b所示为机控阀变速回路,当气缸伸出运动,活塞杆上的撞块碰到机控阀后,机控阀换向,气缸开始慢进。通过改变机控阀的安装位置来改变开始变速的位置。这种变速回路原理可用于普通气缸及其它类型气缸的变速控制。特别是带开关气缸的普遍采用,这样用磁性开关实现气缸位置的行程发信,控制二位二通电磁阀的换向来改变气缸运动的速度。同样,速度控制阀有多种连接方式,因此变速回路也是多样的。

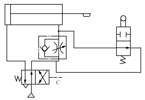
气液转换速度控制回路图1 所示为采用气—液转换器的速度控制回路。利用气液转换器1、2将气压变成液压,利用液压油驱动液压缸,从而得到平稳的运动速度。两个单向节流阀进行出口节流调速。在选用气液转换器时,要注意使其流量大于所对应的液压缸的油腔容积,并保持一定的余量。图1 气液转换速度控制回路图2 所示为利用液压阻尼缸实现速度控制的回路。阻尼缸与气缸的连接可以是串联,也可以是并联。图示为串联形式。回路中,通过调节单向节流阀的开度,实现气缸的无级调速。图2 气液阻尼缸的速度控制回路

缓冲回路图1是采用单向节流阀和行程阀配合的缓冲回路。当活塞前进到预定位置压下行程阀时,气缸排气腔的气流只能从节流阀通过,使活塞速度减慢,达到缓冲目的。此种回路常用于惯性力较大的气缸。图1 缓冲回路图2所示为两种缓冲回路。图a所示是用机控阀和流量控制阀配合使用的缓冲回路。当气缸伸出运动时,有杆腔空气经二位二通机控阀和二位五通阀排出。伸出运动到末端使机控阀换向,有杆腔空气经节流阀排出,实现气缸运动缓冲。改变机控阀的安装位置,可改变开始缓冲的时刻。图b所示的缓冲回路是利用顺序阀实现的。当气缸退回到行程末端时,无杆腔的压力已经下降到不能打开顺序阀,腔室内的剩余空气只能经节流阀排出,由此气缸运动得以缓冲。这种回路常用于气缸行程长、速度快的场合。图2 缓冲回路

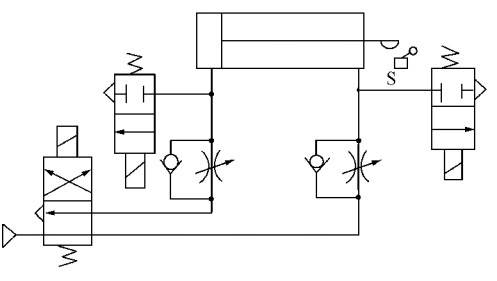
快速往返回路下图为快速往返回路。在快速排气阀3和4的后面装有溢流阀2和5,当气缸通过排气阀排气时,溢流阀就成为背压阀了。这样,使气缸的排气腔有了一定的背压力,增加了运动的平稳性。图 快速往返回路

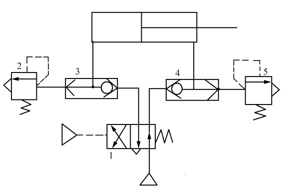
中间变速回路下图为中间变速回路。采用行程开关(安装在行程的中间位置)对两个二位二通电磁换向阀进行控制。气缸活塞的往复运动都是出口节流调速,当活塞杆在行程中碰到行程开关而使二位二通阀通电,则改变了排气的途径,从而使活塞改变了运动速度。两个二位二通阀,分别控制往复行程中的速度变换。当电磁铁通电、快速排气;电磁铁断电、慢速进给。图 中间变速回路

双作用气缸速度控制回路如图所示为双作用气缸的速度控制回路,图a所示采用单向节流阀实现排气节流的速度控制,一般采用带有旋转接头的单向节流阀直接拧在气缸的气口上,安装使用方便。图b所示在二位五通阀的排气口上安装了排气消声节流阀,调节节流阀开度实现气缸背压的排气控制,完成气缸往复速度的调节。图c所示在二位四通阀的排气口安装排气消声节流阀的速度控制,此时气缸伸出和退回的速度是相同的,不能分开调节。使用图b和图c所示的速度控制方法时应注意,换向阀的排气口必须有安装排气消声节流阀的螺纹口,否则不能选用。图 双作用气缸的速度控制回路

单作用气缸速度控制回路下图1所示为单作用气缸速度控制回路。图a可以进行双向速度调节,图b采用快速排气阀可实现快速返回,但是返回速度不能调节。图1 单作用气缸的其它速度控制回路下图2所示为单作用气缸的其它速度控制回路,图a、b所示为对活塞杆的伸出进行速度控制,图 c、d所示为对活塞杆的退回进行速度控制,图f所示利用两个单向节流阀控制气缸伸出和退回的速度。图e所示为用单向节流阀和快排阀实现气缸慢进快退速度控制。图2 单作用气缸的其它速度控制回路
