published:2013-11-30 14:23:56 visits:418 source:Wuxi Huatong Pneumatic
气液转换速度控制回路
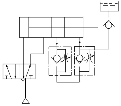
图1 所示为采用气—液转换器的速度控制回路。利用气液转换器1、2将气压变成液压,利用液压油驱动液压缸,从而得到平稳的运动速度。两个单向节流阀进行出口节流调速。在选用气液转换器时,要注意使其流量大于所对应的液压缸的油腔容积,并保持一定的余量。

图1 气液转换速度控制回路
图2 所示为利用液压阻尼缸实现速度控制的回路。阻尼缸与气缸的连接可以是串联,也可以是并联。图示为串联形式。回路中,通过调节单向节流阀的开度,实现气缸的无级调速。

图2 气液阻尼缸的速度控制回路
