Wuxi Huatong Pneumatic Manufacture
Pneumatics/Solenoid Valve/Cylinder
TEL:0086-510-83593211

buffer circuit

published:2013-11-30 14:20:17 visits:524 source:Wuxi Huatong Pneumatic

缓冲回路


图1是采用单向节流阀和行程阀配合的缓冲回路。当活塞前进到预定位置压下行程阀时,气缸排气腔的气流只能从节流阀通过,使活塞速度减慢,达到缓冲目的。此种回路常用于惯性力较大的气缸。

图1 缓冲回路


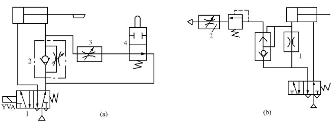
图2所示为两种缓冲回路。图a所示是用机控阀和流量控制阀配合使用的缓冲回路。当气缸伸出运动时,有杆腔空气经二位二通机控阀和二位五通阀排出。伸出运动到末端使机控阀换向,有杆腔空气经节流阀排出,实现气缸运动缓冲。改变机控阀的安装位置,可改变开始缓冲的时刻。

图b所示的缓冲回路是利用顺序阀实现的。当气缸退回到行程末端时,无杆腔的压力已经下降到不能打开顺序阀,腔室内的剩余空气只能经节流阀排出,由此气缸运动得以缓冲。这种回路常用于气缸行程长、速度快的场合。

图2 缓冲回路

Online Service
Contact Details

phone number:

+86(510)83593211

Working hours:

Monday to Saturday

QQ

800099935

Skype

Kerry Gu

WeChat
二维码
SERVICE