Wuxi Huatong Pneumatic Manufacture
Pneumatics/Solenoid Valve/Cylinder
TEL:0086-510-83593211

Double acting cylinder speed control loop

published:2013-11-30 14:03:34 visits:610 source:Wuxi Huatong Pneumatic

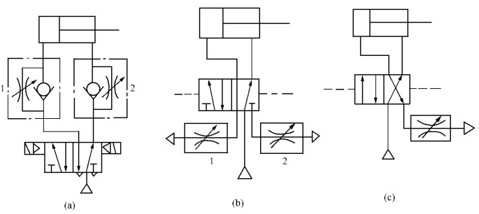
双作用气缸速度控制回路


如图所示为双作用气缸的速度控制回路,图a所示采用单向节流阀实现排气节流的速度控制,一般采用带有旋转接头的单向节流阀直接拧在气缸的气口上,安装使用方便。图b所示在二位五通阀的排气口上安装了排气消声节流阀,调节节流阀开度实现气缸背压的排气控制,完成气缸往复速度的调节。图c所示在二位四通阀的排气口安装排气消声节流阀的速度控制,此时气缸伸出和退回的速度是相同的,不能分开调节。使用图b和图c所示的速度控制方法时应注意,换向阀的排气口必须有安装排气消声节流阀的螺纹口,否则不能选用。

图 双作用气缸的速度控制回路

Online Service
Contact Details

phone number:

+86(510)83593211

Working hours:

Monday to Saturday

QQ

800099935

Skype

Kerry Gu

WeChat
二维码
SERVICE